bella@bestcreate-elec.com

Facebook
Twitter
Google+
LinkedIn
Pinterest

Bestcreate Technology Limited
  • Home
  • About us
  • Products
    • USB Connector
      • USB 3.1 C Female Connector
      • USB 3.1 C Male Connector
      • Waterproof USB C Female Connector
      • Waterproof Micro USB 2.0 Female Connector
      • Waterproof USB 2.0 Connector
      • USB 3.0 Connector
      • USB 2.0 Connector
      • MINI USB Connector
      • Micro USB 2.0 Connector
      • USB 3.1 A Female Connector
      • Micro USB 3.0 Connector
      • DIY USB Connector.
    • HDMI Connector
      • HDMI A Female Connector
      • HDMI A Male Connector
      • HDMI C Female Connector
      • HDMI C Male Connector
      • HDMI D Male Connector
      • HDMI D Female Connector
      • HDMI E Female Connector
      • Dual HDMI/DP Female Connector
    • RJ45 Connector
    • SATA Connector
      • SATA 7P Male Connector
      • SATA 7P Female Connector
      • SATA 7+15P Female Connector
      • SATA7+15P Male Connector
      • SATA 15P Male Connector
      • SATA 15P Female Connector
      • SATA 6+7P Female Connector
      • SATA 6+7P Male Connector
      • Micro SATA 16P Female Connector
      • SATA 29P Female Connector
      • SATA 7+7+2P Female Connector
      • ESATA 7P Female Connector
      • Dual SATA 14P Male Connector
    • Wire to Board Connector
      • Micro Match Connector
      • IDC Connector
      • DIP Plug connector
      • FPC Connector
      • Wafer Connector
    • Board to Board Connector
      • Pin header Connector
      • Female header Connector
      • Machined Pin Header Connector
      • Machined Female Header Connector
      • PC104 Connector
      • DIN41612 Connector
    • IO Connector
      • DVI Connector
      • D-SUB Connector
      • SCSI Connector
      • Phone Jack Connector
    • Cable Assembly
      • Flat Cable
      • Custom Cables
    • RF Coaxial Connector
    • HDMI/DP/DVI Adapters
      • HDMI Adapters
      • DP Adapters
      • DVI Adapters
    • DC Jack Connector
    • SD/TF/CF/SIM Card Connector
    • DP Connector
    • Tact Switch
    • USB Adapter
    • MINI PCI Connector
    • Battery Connector
    • OBD Connector
    • DP Switch
    • Banana Plug
    • NUTS
    • RJ45 Keystone Adapter
    • Antenna Shrapnel
  • News
    • Company news
    • Industry-news
  • F.A.Q
  • Inquiry
  • Contact us
Home Products USB Connector USB 3.0 Connector Top Mount 1.27MM SMT Type 9Pin USB 3.0 A
Top Mount 1.27MM SMT Type 9Pin USB 3.0 A Female Receptacle ConnectorTop Mount 1.27MM SMT Type 9Pin USB 3.0 A Female Receptacle ConnectorTop Mount 1.27MM SMT Type 9Pin USB 3.0 A Female Receptacle ConnectorTop Mount 1.27MM SMT Type 9Pin USB 3.0 A Female Receptacle Connector

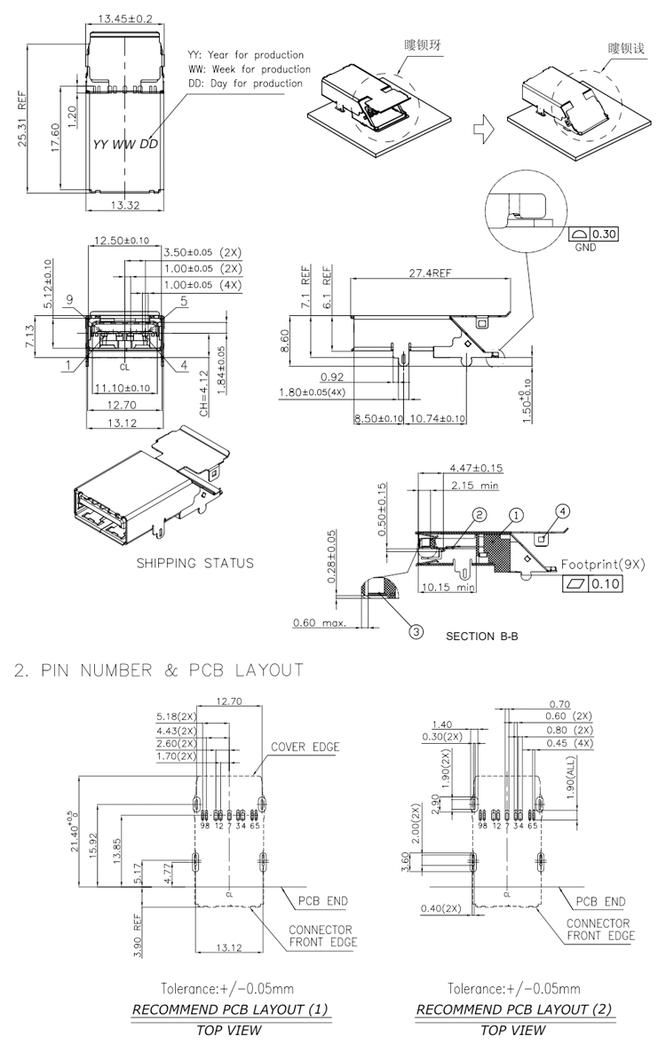
Top Mount 1.27MM SMT Type 9Pin USB 3.0 A Female Receptacle Connector

  • Product Item:U03-AFXX9R-314
  • Housing:PA9T BLACK UL94V-0
  • Contact:C5191
  • Current Rating:1.8A
  • Shell:SUS304-H
  • Top Mount 127MM Vertical SMT USB 30 A 9Pin Female Receptacle Connector
    Inquiry Send Email


    Datasheet

    Description

    Inquiry Us





    Related Products

    8Pin ATX Power Connector 4.2MM Vertical DIP Type BOM Electronic Component Connector

    8Pin ATX Power Connector 4.2MM Vertical DIP Type BOM Electronic Component Connector

    2.0MM Pitch Horizontal SMT Type FPC Connector

    2.0MM Pitch Horizontal SMT Type FPC Connector

    Surface Mount  6P USB Waterproof Female Type C Connector IP67 Rated

    Surface Mount 6P USB Waterproof Female Type C Connector IP67 Rated

    IPX8 Waterproof USB C 16P Connector Vertical SMT Type USB Waterproof Socket Connector

    IPX8 Waterproof USB C 16P Connector Vertical SMT Type USB Waterproof Socket Connector

    Pin Header 2.54mm Pitch H6.5 Dual Row 2x10P Female Header Connector

    Pin Header 2.54mm Pitch H6.5 Dual Row 2x10P Female Header Connector

    6P Electronic Wire To Board Connector Pitch 2.5mm Right Angle Single Row Header Conector

    6P Electronic Wire To Board Connector Pitch 2.5mm Right Angle Single Row Header Conector

    Product Categories

    • USB Connector
      • USB 3.1 C Female Connector
      • USB 3.1 C Male Connector
      • Waterproof USB C Female Connector
      • Waterproof Micro USB 2.0 Female Connector
      • Waterproof USB 2.0 Connector
      • USB 3.0 Connector
      • USB 2.0 Connector
      • MINI USB Connector
      • Micro USB 2.0 Connector
      • USB 3.1 A Female Connector
      • Micro USB 3.0 Connector
      • DIY USB Connector.
    • HDMI Connector
      • HDMI A Female Connector
      • HDMI A Male Connector
      • HDMI C Female Connector
      • HDMI C Male Connector
      • HDMI D Male Connector
      • HDMI D Female Connector
      • HDMI E Female Connector
      • Dual HDMI/DP Female Connector
    • RJ45 Connector
    • SATA Connector
      • SATA 7P Male Connector
      • SATA 7P Female Connector
      • SATA 7+15P Female Connector
      • SATA7+15P Male Connector
      • SATA 15P Male Connector
      • SATA 15P Female Connector
      • SATA 6+7P Female Connector
      • SATA 6+7P Male Connector
      • Micro SATA 16P Female Connector
      • SATA 29P Female Connector
      • SATA 7+7+2P Female Connector
      • ESATA 7P Female Connector
      • Dual SATA 14P Male Connector
    • Wire to Board Connector
      • Micro Match Connector
      • IDC Connector
      • DIP Plug connector
      • FPC Connector
      • Wafer Connector
    • Board to Board Connector
      • Pin header Connector
      • Female header Connector
      • Machined Pin Header Connector
      • Machined Female Header Connector
      • PC104 Connector
      • DIN41612 Connector
    • IO Connector
      • DVI Connector
      • D-SUB Connector
      • SCSI Connector
      • Phone Jack Connector
    • Cable Assembly
      • Flat Cable
      • Custom Cables
    • RF Coaxial Connector
    • HDMI/DP/DVI Adapters
      • HDMI Adapters
      • DP Adapters
      • DVI Adapters
    • DC Jack Connector
    • SD/TF/CF/SIM Card Connector
    • DP Connector
    • Tact Switch
    • USB Adapter
    • MINI PCI Connector
    • Battery Connector
    • OBD Connector
    • DP Switch
    • Banana Plug
    • NUTS
    • RJ45 Keystone Adapter
    • Antenna Shrapnel

    Links

    Alibaba Store

    LatestPost

    • Type-C Product Introduction
      2019-08-19
    • Type-C Basic Information
      2019-08-19
    • USB connector information
      2019-08-19

    Feedback

    Contact Us

    992333149

    0086-13712299763

    bella@bestcreate-elec.com

    belle.wu3340

    0711 Baida Eletronic Business City, Humen Town, Dongguan, Guangdong, China

    Alibaba Store

    Copyright © 2013-2019 Bestcreate Technology Limited All Rights Reserved.