bella@bestcreate-elec.com

Facebook
Twitter
Google+
LinkedIn
Pinterest

Bestcreate Technology Limited
  • Home
  • About us
  • Products
    • USB Connector
      • USB 3.1 C Female Connector
      • USB 3.1 C Male Connector
      • Waterproof USB C Female Connector
      • Waterproof Micro USB 2.0 Female Connector
      • Waterproof USB 2.0 Connector
      • USB 3.0 Connector
      • USB 2.0 Connector
      • MINI USB Connector
      • Micro USB 2.0 Connector
      • USB 3.1 A Female Connector
      • Micro USB 3.0 Connector
      • DIY USB Connector.
    • HDMI Connector
      • HDMI A Female Connector
      • HDMI A Male Connector
      • HDMI C Female Connector
      • HDMI C Male Connector
      • HDMI D Male Connector
      • HDMI D Female Connector
      • HDMI E Female Connector
      • Dual HDMI/DP Female Connector
    • RJ45 Connector
    • SATA Connector
      • SATA 7P Male Connector
      • SATA 7P Female Connector
      • SATA 7+15P Female Connector
      • SATA7+15P Male Connector
      • SATA 15P Male Connector
      • SATA 15P Female Connector
      • SATA 6+7P Female Connector
      • SATA 6+7P Male Connector
      • Micro SATA 16P Female Connector
      • SATA 29P Female Connector
      • SATA 7+7+2P Female Connector
      • ESATA 7P Female Connector
      • Dual SATA 14P Male Connector
    • Wire to Board Connector
      • Micro Match Connector
      • IDC Connector
      • DIP Plug connector
      • FPC Connector
      • Wafer Connector
    • Board to Board Connector
      • Pin header Connector
      • Female header Connector
      • Machined Pin Header Connector
      • Machined Female Header Connector
      • PC104 Connector
      • DIN41612 Connector
    • IO Connector
      • DVI Connector
      • D-SUB Connector
      • SCSI Connector
      • Phone Jack Connector
    • Cable Assembly
      • Flat Cable
      • Custom Cables
    • RF Coaxial Connector
    • HDMI/DP/DVI Adapters
      • HDMI Adapters
      • DP Adapters
      • DVI Adapters
    • DC Jack Connector
    • SD/TF/CF/SIM Card Connector
    • DP Connector
    • Tact Switch
    • USB Adapter
    • MINI PCI Connector
    • Battery Connector
    • OBD Connector
    • DP Switch
    • Banana Plug
    • NUTS
    • RJ45 Keystone Adapter
    • Antenna Shrapnel
  • News
    • Company news
    • Industry-news
  • F.A.Q
  • Inquiry
  • Contact us
Home Products USB Connector USB 3.0 Connector USB 3.0 A Female Socket Connector Mid Mo
USB 3.0 A Female Socket Connector Mid Mount USB 3.0 A Female Socket Connector Mid Mount USB 3.0 A Female Socket Connector Mid Mount USB 3.0 A Female Socket Connector Mid Mount

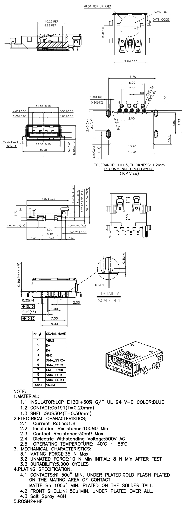
USB 3.0 A Female Socket Connector Mid Mount

  • Product Item:U03-AFXAXX-5013
  • Gender: Female
  • Pin number: 9Pin
  • Color: Black
  • Insulator: LCP
  • USB 30 A Female Socket Connector Mid Mount
    Inquiry Send Email


    Datasheet

    Description

    Inquiry Us





    Related Products

    20Pin DP Female Connector Straddle Mount 1.6MM DP Female Connector with Flange and Cover

    20Pin DP Female Connector Straddle Mount 1.6MM DP Female Connector with Flange and Cover

    Through Hole DisplayPort DP 20P Male Connector for 1.2MM PCB

    Through Hole DisplayPort DP 20P Male Connector for 1.2MM PCB

    1.37H 7Pin Nano SIM Card Holder Memory Card Socket Puller Type for Card Reader

    1.37H 7Pin Nano SIM Card Holder Memory Card Socket Puller Type for Card Reader

    USB 2.0 Type A Male To Type C Female 180D with Aluminium Alloy Shell

    USB 2.0 Type A Male To Type C Female 180D with Aluminium Alloy Shell

    8Pin Through Hole 90Degree Dual USB 2.0 A Type Female Socket Connector

    8Pin Through Hole 90Degree Dual USB 2.0 A Type Female Socket Connector

    Custom Battery Wire Harness 2.54MM Pitch Connectors Wiring Harness

    Custom Battery Wire Harness 2.54MM Pitch Connectors Wiring Harness

    Product Categories

    • USB Connector
      • USB 3.1 C Female Connector
      • USB 3.1 C Male Connector
      • Waterproof USB C Female Connector
      • Waterproof Micro USB 2.0 Female Connector
      • Waterproof USB 2.0 Connector
      • USB 3.0 Connector
      • USB 2.0 Connector
      • MINI USB Connector
      • Micro USB 2.0 Connector
      • USB 3.1 A Female Connector
      • Micro USB 3.0 Connector
      • DIY USB Connector.
    • HDMI Connector
      • HDMI A Female Connector
      • HDMI A Male Connector
      • HDMI C Female Connector
      • HDMI C Male Connector
      • HDMI D Male Connector
      • HDMI D Female Connector
      • HDMI E Female Connector
      • Dual HDMI/DP Female Connector
    • RJ45 Connector
    • SATA Connector
      • SATA 7P Male Connector
      • SATA 7P Female Connector
      • SATA 7+15P Female Connector
      • SATA7+15P Male Connector
      • SATA 15P Male Connector
      • SATA 15P Female Connector
      • SATA 6+7P Female Connector
      • SATA 6+7P Male Connector
      • Micro SATA 16P Female Connector
      • SATA 29P Female Connector
      • SATA 7+7+2P Female Connector
      • ESATA 7P Female Connector
      • Dual SATA 14P Male Connector
    • Wire to Board Connector
      • Micro Match Connector
      • IDC Connector
      • DIP Plug connector
      • FPC Connector
      • Wafer Connector
    • Board to Board Connector
      • Pin header Connector
      • Female header Connector
      • Machined Pin Header Connector
      • Machined Female Header Connector
      • PC104 Connector
      • DIN41612 Connector
    • IO Connector
      • DVI Connector
      • D-SUB Connector
      • SCSI Connector
      • Phone Jack Connector
    • Cable Assembly
      • Flat Cable
      • Custom Cables
    • RF Coaxial Connector
    • HDMI/DP/DVI Adapters
      • HDMI Adapters
      • DP Adapters
      • DVI Adapters
    • DC Jack Connector
    • SD/TF/CF/SIM Card Connector
    • DP Connector
    • Tact Switch
    • USB Adapter
    • MINI PCI Connector
    • Battery Connector
    • OBD Connector
    • DP Switch
    • Banana Plug
    • NUTS
    • RJ45 Keystone Adapter
    • Antenna Shrapnel

    Links

    Alibaba Store

    LatestPost

    • Type-C Product Introduction
      2019-08-19
    • Type-C Basic Information
      2019-08-19
    • USB connector information
      2019-08-19

    Feedback

    Contact Us

    992333149

    0086-13712299763

    bella@bestcreate-elec.com

    belle.wu3340

    0711 Baida Eletronic Business City, Humen Town, Dongguan, Guangdong, China

    Alibaba Store

    Copyright © 2013-2019 Bestcreate Technology Limited All Rights Reserved.